[ Содержание ]
Увлекаетесь электроникой?
Приглашаем Вас принять участие
в бета-тестировании онлайн-редактора
электрических схем.
pulsar-cad.com
Работайте со схемами прямо из браузера.

2.8. Счетчики

Счетчиком называют устройство, предназначенное для подсчета числа импульсов, поданных на вход.

Простейший многоразрядный двоичный делитель частоты с коэффициентом деления 2n можно получить, соединив последовательно n триггеров T-типа. Более общее название для делителей частоты - счетчики. Используется множество различных вариантов счетчиков: асинхронные и синхронные; двоичные и десятичные; однонаправленные (с увеличением счета) и двунаправленные (с увеличением или уменьшением счета), называемые реверсивными, с постоянным или переключаемым коэффициентом деления. Основой любого счетчика является линейка из нескольких триггеров. Между триггерами могут быть введены дополнительные обратные связи, позволяющие получить любой коэффициент деления, а не только равный 2n. Например, счетчик, состоящий из четырех триггеров, может иметь максимальный коэффициент деления 24=16. Чтобы получить коэффициент деления 10, необходимо ввести обратные связи. При наличии обратных связей коэффициент деления будет определяться следующим образом:

10 = 24 - (а120 + а221 + а322 + а424)

т. е. в круглых скобках необходимо записать число 6 в двоичной форме - 0110. Следовательно, обратную связь необходимо подать на второй и третий триггеры (коэффициенты а2=а3=1 и а1=a4=0, так как на первый и четвертый триггеры обратная связь не подана). Необходимое число триггеров для получения заданного коэффициента деления определяется условием

2(n-1) < Kд < 2n

Для четырехтриггерного счетчика минимальный выходной код - 0000, максимальный - 1111, а при коэффициенте деления Кд = 10 выходной счет останавливается при коде 1001 = 9.

Следовательно, удобно выпускать четырехтриггерные счетчики в двух вариантах: двоичном и десятичном (пары ИE6 и ИЕ7, ИЕ16 и ИЕ17). Расширить функции счетчиков можно, видоизменяя их цепи управления и вводя дополнительные связи между триггерами.

В асинхронном счетчике каждый последующий триггер получает тактовый импульс от предыдущего триггера.

В синхронном счетчике все триггеры получают тактовый импульс одновременно. В такой счетчик можно осуществить синхронную (с тактовым импульсом) параллельную (в каждый триггер) загрузку исходных данных. Дополнительно введенные логические элементы управления позволяют сделать процесс счета реверсивным, т. е. с приходом каждого тактового импульса содержимое счетчика можно либо увеличивать, либо уменьшать на единицу.

Сброс данных счетчика может быть асинхронным или синхронным. Счетчики с переменным коэффициентом деления позволяют на входах управления набирать заданный код.

Микросхемы типа. ИЕ (ИЕ1, ИЕ2, ИЕ4...ИЕ11, ИЕ13...ИЕ19) представляют собой различные варианты счетчиков, построенных на триггерах.

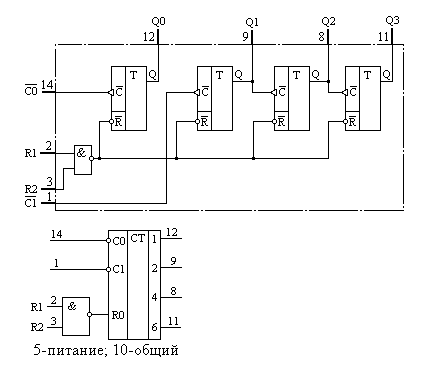
Микросхема ИE1 представляет собой декадный делитель на 10. Логическая структура счетчика ИЕ1 и его условное обозначение приведены на рис. 2.63.

Структура, условное обозначение и цоколевка микросхемы ИЕ1
Рис. 2.63. Структура, условное обозначение и цоколевка микросхемы ИЕ1

Установка всех триггеров в нулевое состояние осуществляется одновременной подачей напряжения высокого уровня на входы 1 и 2, где поставлен двухвходовый элемент И-НЕ, т. е. имеется два входа R для синхронного сброса. Тактовые импульсы подают на вход 8 или 9 (при этом на другом входе должен быть высокий уровень) или одновременно на оба входа, т. к, на тактовом входе тоже поставлен элемент И-НЕ.

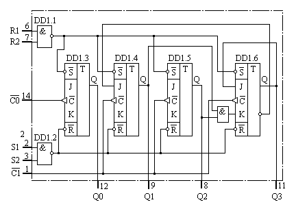
Микросхема ИЕ2 - это четырехразрядный двоично-десятичный счетчик. Внутренняя структура, цоколевка и условное обозначение приведены на рис. 2.64.

Структура микросхемы ИЕ2
Рис. 2.64.a. Структура микросхемы ИЕ2

Условное обозначение и цоколевка микросхемы ИЕ2
Рис. 2.64.б. Условное обозначение и цоколевка микросхемы ИЕ2

Счетчик состоит из четырех комбинированных триггеров типа JK. Первый триггер может работать самостоятельно и образует делитель входной последовательности импульсов с коэффициентом деления Кд = 2. Тактовый вход первого триггера /СО (вывод 14) инверсный динамический, поэтому переключение триггера происходит спадом входного импульса, а выход /QO - вывод 12. Остальные три триггера образуют синхронный делитель на пять (Кд = 5). Тактовые входы /С1 (вывод 1) инверсные динамические, управляются синхронно спадом входного импульса.

Счетчик имеет два входа R для синхронного сброса (обнуления), это выводы 6 и 7, а также два синхронных входа предварительной установки двоичного кода (1001 = 9), выводы 2 и 3. Входы R и S с логикой 2И-НЕ на входе. Входы синхронного сброса R1 и R2 запрещают действие импульсов по всем тактовым входам и входам предварительной установки. Импульс, поданный на вход R, производит сброс данных по всем триггерам одновременно. Подача напряжения на входы S1 и S2 запрещает прохождение тактовых сигналов, а также сигналов от входов R1 и R2 на счетчик. На выходах устанавливается код 1001 = 9. Так как выход первого триггера внутренне не соединен с последующими тремя триггерами, то возможны три независимых режима работы.

Использование ИЕ2 как двоично-десятичного счетчика с весом двоичных разрядов 8-4-2-1. В этом случае необходимо вывод 12 (выход первого триггера) соединить с выводом 1 (тактовым входом трех триггеров) внешней перемычкой. Входная последовательность импульсов подается на тактовый вход первого триггера (вывод 14). Временные диаграммы его работы приведены на рис. 2.65. Режим работы ИЕ2 можно проследить по таблице состояний (табл. 2.37) - это сброс выходных данных в нуль, установка предварительного кода 1001 =9 и счет.

Таблица 2.37. Состояния счетчика ИЕ2
Входы сброса и установки Выходы
R1R2S1S2Q0Q1Q2Q3
110X0000
11X00000
XX111001
0X0XСчет
X0X0Счет
0XX0
X01X

В табл. 2.38 дается последовательность двоично-десятичного счета в счетчике ИЕ2.

Таблица 2.38. Последовательность двоично-десятичного счета в ИЕ2
Счет Выходы
Q0Q1Q2Q3
00000
11000
20100
31100
40010
51010
60110
71110
80001
91001

Использование ИЕ2 как счетчика-делителя входной частоты на 10. Для этого необходимо вывод 11 (выход последнего триггера) соединить с выводом 14 (тактовый вход первого триггера) внешней перемычкой. Входная тактовая последовательность подается на тактовый вход трех последующих триггеров (вывод 1), а выходная последовательность снимается с выхода первого триггера (вывод 12). Она имеет вид меандра (скважность равна 2). При использовании счетчика как делителя на 2 и на 5 внешние перемычки не нужны.

Входная последовательность подается на тактовый вход первого триггера (вывод 14), а выходная снимается с выхода первого триггера (вывод 12).

Три последующих триггера образуют делитель на 5. Входная последовательность подается на синхронный тактовый вход трех триггеров (вывод 1), а выходная снимается с выхода третьего триггера (вывод 11). Оба делителя работают независимо.

Микросхема. ИЕ4 - это четырехразрядный двоичный счетчик-делитель. Внутренняя структура, цоколевка и условное обозначение приведены на рис. 2.66.

Структура, условное обозначение и цоколевка микросхемы ИЕ4
Рис. 2.66. Структура, условное обозначение и цоколевка микросхемы ИЕ4

Счетчик состоит из четырех JK-триггеров, образующих два независимых делителя на 2 и на 6. Счетчик имеет два входа R для синхронного сброса (обнуления), выводы 6 и 7. Входы R имеют на входе логику И-НЕ. Тактовые входы инверсные динамические, поэтому переключение триггеров происходит спадом тактового импульса.

Чтобы получить делитель на 12, необходимо внешней перемычкой соединить делители на 2 и 6, замкнув выводы микросхемы 12 и 1. Входную последовательность импульсов необходимо подать на тактовый вход первого триггера (вывод 14). При этом происходит одновременное деление на 2, 6 и 12 (выводы 12, 9, 8 соответственно). Когда счетчик используют как делитель на 6 и 3 (выводы 8 и 9, 11 соответственно), то входную последовательность импульсов подают на тактовые входы двух последующих триггеров (вывод 1), а выводы 12 и 1 не соединяют.

Временные диаграммы работы ИЕ4 приведены на рис. 2.67, а состояния счетчика и последовательность счета даны в табл. 2.39 и 2.40.

Временные диаграммы работы счетчика ИЕ4
Рис. 2.67. Временные диаграммы работы счетчика ИЕ4

Таблица 2.39. Состояния счетчика ИЕ4
Входы сброса Выходы
R1R2Q0Q1Q2Q3
110000
01Счет
10
00
Таблица 2.40. Последовательность счета для ИЕ4
СчетВыходы
Q0Q1Q2Q3
00000
11000
20100
31100
40010
51010
60001
71001
80101
91101
100011
111011

Микросхема ИЕ5 является четырехразрядным асинхронным счетчиком. Внутренняя структура, цоколевка и условное обозначение приведены на рис. 2.68.

Структура, условное обозначение и цоколевка микросхемы ИЕ5
Рис. 2.68. Структура, условное обозначение и цоколевка микросхемы ИЕ5

Счетчик состоит из четырех JK-триггеров, образующих два независимых делителя на 2 и на 8. Счетчик имеет два входа R, объединенных по И-НЕ, для синхронного сброса (обнуления), выводы 2 и 3. Тактовые входы всех триггеров инверсные динамические, поэтому переключение триггеров будет происходить спадом импульса.

Чтобы получить делитель на 16, необходимо внешней перемычкой соединить делители на 2 и 8, замкнув выводы микросхемы 12 и 1. Входную последовательность импульсов необходимо подать на тактовый вход первого триггера (вывод 14). При этом происходит одновременное деление на 2, 4, 8 и 16 по выводам 12, 9, 8, 11, как показано на временных диаграммах (рис. 2.65)

Временные диаграммы работы счетчиков ИЕ2, ИЕ5
Рис. 2.65. Временные диаграммы работы счетчиков ИЕ2, ИЕ5

и в табл. 2.41 состояний счетчика.

Таблица 2.41. Состояния счетчика ИЕ5
Входы сброса Выходы
R1R2Q0Q1Q2Q3
110000
01Счет
10
00

При использовании ИЕ5 как трехразрядного двоичного счетчика (деление на 2, 4, 8) входную последовательность необходимо подать на тактовый вход второго триггера (вывод 1) и выводы 12 и 1 не соединять. С выходов (выводы 9, 8, 11) получим соответственно деление на 2, 4, 8. Первый триггер можно использовать как двоичный элемент для деления на 2 (вход /СО, вывод 14, а выход QO, вывод 12). Последовательность счета для ИЕ5 дана в табл. 2.42.

Таблица 2.42. Последовательность счета для ИЕ5
СчетВыходы
Q0Q1Q2Q3
0 0000
1 1000
2 0100
3 1100
4 0010
5 1010
6 0110
7 1110
8 0001
9 1001
100101
111101
120011
131011
140111
151111

Микросхемы ИЕ6 и. ИЕ7 представляют собой четырехразрядные реверсивные счетчики с предварительной записью; первый из них - двоично-десятичный, а второй - двоичный. Десятичный счетчик отличается от двоичного внутренней логикой (рис. 2.69), управляемой триггерами. Условное обозначение и цоколевка этих счетчиков даны на рис. 2.69.

Структура, условное обозначение, цоколевка и временные диаграммы работым икросхем ИЕ6, ИЕ7
Рис. 2.69. Структура, условное обозначение и цоколевка микросхем ИЕ6, ИЕ7, их временные диаграммы работы.

Особенностью данных счетчиков является их построение по синхронному принципу, т. е. все триггеры переключаются одновременно от одного тактового импульса. Тактовые входы: для счета на увеличение СU (вывод 5) и на уменьшение СD (вывод 4) - раздельные, прямые динамические. Поэтому состояние счетчика будет изменяться по фронту тактового импульса. Направление счета (увеличение или уменьшение на единицу) определяется тем, на какой из тактовых входов (вывод 5 или 4) подается положительный перепад. В это время на другом тактовом входе следует зафиксировать высокий уровень напряжения.

Установка счетчиков в нулевые состояния осуществляется подачей на вход сброса R высокого уровня напряжения, так как вход R прямой статический.

Входы разрешения параллельной загрузки /РЕ инверсные статические, поэтому управляющим сигналом является низкий уровень напряжения. Для предварительной записи определенного числа в счетчик необходимо подать его двоичный код на входы D1...D4 (в ИЕ6 от 0 до 9, а в ИЕ7 от 0 до 15). Для этого на вход /РЕ необходимо подать низкий уровень (на входах СU и СD -высокий уровень, а на входе R - низкий). Счет начнется с записанного числа по импульсам низкого уровня, подаваемым на вход СU или СD. Информация на выходе изменяется по фронту тактового импульса. При этом на втором тактовом входе и на входе /РЕ должен быть высокий уровень, а на входе R - низкий, состояние входов D безразлично. Одновременно с каждым десятым (шестнадцатым) на входе CU импульсом на выходе /TCU , вывод 12, появляется повторяющий его выходной импульс, который может подаваться на вход CU следующего счетчика. В режиме вычитания одновременно с каждым импульсом на входе СD , переводящим счетчик в состояние 9 (15), на выходе TCD , вывод 13, появляется выходной импульс. То есть от выводов /ТСU и /ТCD берутся тактовые сигналы переноса и заема для последующего и от предыдущего четырехразрядного счетчика. Дополнительной логики при последовательном соединении этих счетчиков не требуется: выводы /ТСU и /ТСD предыдущей микросхемы присоединяются к выводам CU и СD последующей. Однако такое соединение счетчиков ИЕ6 и ИЕ7 не полностью синхронное, т. к, тактовый импульс на последующую микросхему будет передан с двойной задержкой переключения логического элемента ТТЛ.

Входы предварительной записи /РЕ и сброса R при каскадном соединении ИС объединяются в отдельные шины.

Следовательно, счетчики можно переводить в режимы сброса, параллельной загрузки, а также синхронного счета на увеличение или уменьшение. Диаграммы работы счетчиков приведены на рис. 2.70, а состояния счетчиков даны в табл. 2.43, 2.44.

Диагpаммы pаботы счетчиков ИЕ6, ИЕ7
Диагpаммы pаботы счетчиков ИЕ6, ИЕ7

Состояния счетчика ИЕ6
Режим pаботыВходыВыходы
/RCCuCD D0D1D2D3Q0Q1 Q2Q3/TCu/TCD

Микросхема ИЕ8 - делитель частоты с переменным коэффициентом деления. Структура счетчика, его цоколевка и условное обозначение приведены на рис. 2.71. ИЕ8 включает шестиразрядный счетчик (шесть триггеров) и логическую схему, обеспечивающую выдачу на вход триггеров заданного числа импульсов. Счетчик имеет прямой Q и инверсный /Q выходы, а также выход переноса /Свых (после подсчета 63-го импульса). Входная последовательность импульсов с частотой fвх подается на прямой динамический вход С (активный перепад-фронт импульса). Максимальный коэффициент деления Кд = 64.

...на этом месте работы над переводом справочника в электронный формат были приостановлены.


Valid XHTML 1.0 Transitional