В составе серий ТТЛ имеется ряд ждущих и управляемых по частоте мультивибраторов. Они позволяют формировать синхронизированные последовательности импульсов, импульсы заданной длительности, расширить длительность коротких импульсов, отмерить интервалы времени до единиц минут, построить схемы фазовой автоподстройки [1, 2].
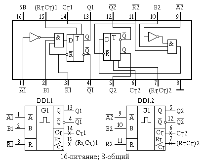
Микросхема АГ1 представляет собой одноканальный ждущий мультивибратор (одновибратор). Внутренняя структура, цоколевка и условное обозначение приведены на рис. 2.55, а, б,в.
Микросхема АГ1 содержит внутреннюю ячейку памяти, выполненную на триггере с двумя выходами Q и /Q (выводы 6 и 1). На входе триггера имеется логический элемент 2И-НЕ и элемент Шмитта, т. е. триггер имеет три входа управления. Входы /A1 и /A2 инверсные (активный уровень-низкий), а вход В - прямой (активный уровень- высокий).
По входу В осуществляется прямой запуск триггера. Сигнал сброса, т. е. переключение триггера в новое состояние (окончание импульса), формируется с помощью RC-цепи: времязадающий конденсатор Ст подключается между выводами 10 и 11, а резистор Rт подключается от вывода 11 к шине питания Uи.п=5 В (вывод 14). Между выводами 11 и 9 внутри микросхемы имеется интегральный резистор Rвн ~2кОм.
График зависимости длительности выходного импульса Tи.вых от номиналов Rт и Ст представлен на рис. 2.55, г, а также Ти.вых можно определить по формуле Tи.вых ~ 0.7СтRт.

Если требуемое сопротивление резистора Rт <= Rвн = 2 кОм, то используют только внутренний резистор, т. е. соединить вывод 14 (Uи.п = 5 В) с выводом 9 и подключить необходимый внешний конденсатор СT между выводами 10 и 11.
Если элементы RT и CT отсутствуют, то длительность выходного импульса Ти.вых ~ 35 нс. Для повышения стабильности длительности импульса необходимо включать дополнительный RC-фильтр в цепь питания микросхемы.
Мультивибратор АГ1 нельзя перезапускать, пока не истечет время Ти-вых, т.е. запущенный мультивибратор нечувствителен к входным сигналам /A1, /А2 и В.
Табл. 2.29 определяет состояния работы микросхемы АГ1.
| Входы | Выходы | |||
|---|---|---|---|---|
| /A1 | /A2 | B | Q | /Q |
| 0 | X | 1 | 0 | 1 |
| X | 0 | 1 | 0 | 1 |
| X | X | 0 | 0 | 1 |
| 1 | 1 | X | 0 | 1 |
| 1 | \_ | 1 | _/\_ | \_/ |
| \_ | 1 | 1 | _/\_ | \_/ |
| \_ | \_ | 1 | _/\_ | \_/ |
| 0 | X | _/ | _/\_ | \_/ |
| X | 0 | _/ | _/\_ | \_/ |
Длительность выходных импульсов Ти.вых можно изменять в пределах от 35 нс до 0,3 сек, изменяя Rт в пределах (2...40) ком, а СT в пределах 10 пФ...10 мкФ.
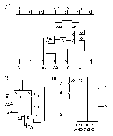
Микросхема АГ3 - два ждущих мультивибратора с возможностью перезапуска. Внутренняя структура, цоколевка, условное обозначение приведены на рис. 2.56, а состояния работы АГ3 даны в табл. 2.30.
| Входы | Выходы | |||
|---|---|---|---|---|
| /R | /A | B | Q | /Q |
| 0 | X | X | 0 | 1 |
| X | 1 | X | 0 | 1 |
| X | X | 0 | 0 | 1 |
| 1 | 0 | _/ | _/\_ | \_/ |
| 1 | \_ | 1 | _/\_ | \_/ |
| _/ | 0 | 1 | _/\_ | \_/ |
Каждый из мультивибраторов представляет собой триггер с двумя выходами Q и /Q и дополнительной логикой на входе, имеющей три входа: вход сброса /R (активный уровень - низкий) и два входа запуска /А и В. Вход /А - инверсный с активным низким уровнем, а вход В - прямой с активным высоким уровнем напряжения. На рис. 2.57 показано подключение времязадающих элементов RT, и СТ, а также график зависимости Ти.вых от номиналов RT и СT.
Длительность выходного импульса можно рассчитать по формуле [1, 2]: для К155АГ3
для других серий ИС
Выходной импульс можно оборвать, подав на вход сброса /R напряжение низкого уровня. Если мультивибратор АГ3 запущен, то выходной импульс можно продолжить (перезапустить), подав на вход /А напряжение низкого уровня (или на вход В - высокого). С момента перезапуска до окончания импульса пройдет время Ти.вых, определяемое времязадающими элементами RT и CT.
Если два ждущих мультивибратора микросхемы АГ3 включить по кольцевой схеме, то получим автогенератор (автомультивибратор).
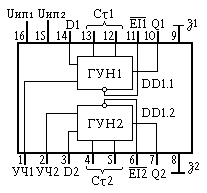
Микросхема ГГ1 - два управляемых генератора (рис. 2.58, а).
Частота каждого генератора управляется напряжением. Каждый генератор представляет собой автомультивибратор, имеющий входы управления частотой (УЧ) и диапазоном частоты (Д). Для фиксирования заданной частоты генерации (на вход Д1, вывод 14, подать высокий уровень, а на вход УЧ, вывод 1,- низкий уровень напряжения) к выводам 4 и 5 (для другого 12 и 13) необходимо подключить рассчитанный конденсатор СT или пьезорезонатор. С выхода автомультивибратора Q1 (вывод 10) или другого Q2 (вывод 7) получим выходную последовательность импульсов (меандр) с частотой, определяемой по формуле [1].
либо по графику (рис. 2.58,б).
Для маломощных ИС выходная частота fo будет в 5 раз меньше при той же емкости конденсатора Ст.
Микросхема ГГ1 имеет дополнительные входы разрешения /EI, с помощью которых можно запретить выходную последовательность, если на этот вход подать напряжение высокого уровня.
Для повышения стабильности частоты fo микросхема ГГ1 имеет четыре раздельных вывода питания. Два вывода 16 и 9 принадлежат выходным буферным каскадам обоих автомультивибраторов, через другую пару выводов (15 и 8) питание передается на автогенераторную часть схемы и на каскады управления частотой. Однако, несмотря на принятые меры развязки по питанию генераторов, одновременная работа двух генераторов с управлением по частоте не рекомендуется. Поэтому в справочнике микросхема ГГ1 представлена как сдвоенный генератор.
Согласно [1], при фиксированном напряжении на входе Д(Uд.=3,5 В), регулируя напряжение управления на входе УЧ в пределах Uуч=(1,5...4) В, можно изменить выходную частоту на двадцать процентов (fo+20 %).
Основные параметры мультивибраторов приведены в табл. 2.31.
Практические схемы применения ИС ГГ1 приведены на рис. 2.58,г.