D-триггером называется триггер с одним информационным входом, работающий так, что сигнал на выходе после переключения равен сигналу на входе D до переключения, т. е. Qn+1=Dn Основное назначение D-триггеров - задержка сигнала, поданного на вход D. Он имеет информационный вход D (вход данных) и вход синхронизации С. Вход синхронизации С может быть статическим (потенциальным) и динамическим. У триггеров со статическим входом С информация записывается в течение времени, при котором уровень сигнала C=1. В триггерах с динамическим входом С информация записывается только в течение перепада напряжения на входе С. Динамический вход изображают на схемах треугольником. Если вершина треугольника обращена в сторону микросхемы (прямой динамический вход), то триггер срабатывает по фронту входного импульса, если от нее (инверсный динамический вход) - по срезу импульса. В таком триггере информация на выходе может быть задержана на один такт по отношению к входной информации.
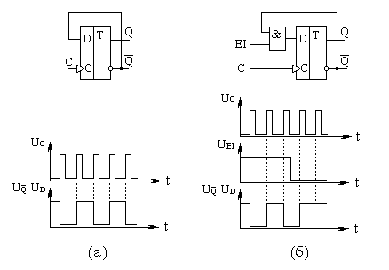
D-триггеры могут быть построены по различным схемам. На рис. 2.43,а показана схема одноступенчатого D-триггера на элементах И-НЕ и его условное обозначение. Триггер имеет прямые статические входы (управляющий сигнал - уровень логической единицы). На элементах DD1.1 и DD1.2 выполнена схема управления, а на элементах DD1.3 и DD1.4 асинхронный RS-триггер.
Если уровень сигнала на входе С = 0, состояние триггера устойчиво и не зависит от уровня сигнала на информационном входе D. При этом на входы асинхронного RS-триггера с инверсными входами (DD1.3 и DD1.4) поступают пассивные уровни /S = /R = 1.
При подаче на вход синхронизации уровня С = 1 информация на прямом выходе будет повторять информацию, подаваемую на вход D.
Следовательно, при C=0 Qn+1=Qn, а при C=l Qn+1=Dn. Временные диаграммы, поясняющие работу D-триггера, приведены на рис. 2.43,б.
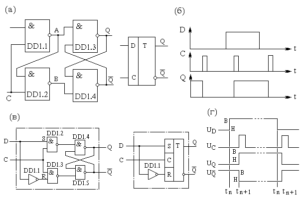
D-триггер возможно получить из синхронного RS-триггера, если ввести дополнительный инвертор DD1.1 между входами S и R (рис. 2.43,в). В таком триггере состояние неопределенности для входов S и R исключается, так как инвертор DD1.1 формирует на входе R сигнал /S. Временные диаграммы записи в D-триггер напряжений высокого и низкого входных уровней и их считывание приведены на рис. 2.43,г. Обязательным условием правильной работы D-триггера является наличие защитного временного интервала после прихода импульса на вход D перед тактовым импульсом (вход С). Этот интервал времени tn+1-tn зависит от справочных данных на D-триггер.
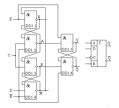
Комбинированные D-триггеры имеют дополнительные входы асинхронной установки логических 0 и 1 - входы S и R. Схема и условное обозначение одного такого триггера представлены на рис. 2.44. Триггер собран на шести элементах И-НЕ по схеме трех RS-триггеров. Входы /S и /R служат для первоначальной установки триггера в определенное состояние.
Если C=D=0, установить /S=0, а /R=1, то элементы DD1.1 ... DD1.5 будут закрыты, а элемент DD1.6 будет открыт, т. е. Q=l, /Q=0. При снятии нулевого сигнала со входа /S, откроется элемент DD1.1, состояние остальных элементов не изменится. При подаче единичного сигнала на вход С на всех входах элемента DD1.3 будут действовать единичные сигналы и он откроется, а элемент DD1.6 закроется: /Q = 1. Теперь на всех входах элемента DD1.5 действуют единичные сигналы и он будет открыт: Q = 0. Следовательно, после переключения триггера сигнал на выходе Q стал равным сигналу на входе D до переключения: Qn+1=Dn=0. После снятия единичного сигнала со входа С состояние триггера не изменится.
D-триггер с динамическим входом C может работать как T-триггер. Для этого необходимо вход С соединить с инверсным выходом триггера /Q (рис. 2.45,а). Если на входе D поставить дополнительный двухвходовый элемент И и инверсный выход триггера /Q соединить с одним из входов элемента И, а на второй вход подать сигнал EI, то получим T-триггер с дополнительным разрешением по входу (рис. 2.45,б).
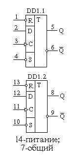
Микросхема ТМ2 содержит два независимых комбинированных D-триггера, имеющих общую цепь питания. У каждого триггера имеется один информационный вход D, вход синхронизации С и два дополнительных входа /S и /R независимой асинхронной установки триггера в единичное и нулевое состояния, а также комплементарные выходы Q и /Q (рис. 2.46). Логическая структура одного D-триггера (рис. 2.46) содержит следующие элементы: основной асинхронный RS-триггер (ТЗ), вспомогательный синхронный RS-триггер (Т1) записи логической единицы (высокого уровня) в основной триггер, вспомогательный синхронный RS-триггер (Т2) записи логического нуля (низкого уровня) в основной триггер. Входы /S и /R - асинхронные, потому что они работают (сбрасывают состояние триггера) независимо от сигнала на тактовом входе, активный уровень для них низкий (т. е. инверсные входы /S и /R).

Асинхронная установка D-триггера в единичное или нулевое состояния осуществляется подачей взаимопротивоположных логических сигналов на входы /S и /R. В это время входы D и С не влияют.
Если на входы /S и /R одновременно подать сигнал низкого уровня (логический нуль), то на обоих выходах триггера Q и /Q будет высокий уровень (логическая единица). Однако после снятия этих сигналов со входов /S и /R состояние триггера будет неопределенным. Поэтому комбинация /S=/R=0 для этих входов является запрещенной.
Загрузить в триггер входные уровни В или Н (т. е. логические 1 или 0) можно, если на входы /S и /R подать напряжение высокого уровня: /S=/R=1. Сигнал от входа D передается на выходы триггера при поступлении положительного перепада импульса на вход С (изменение от низкого* к высокому). Однако, чтобы D-триггер переключался правильно (согласно таблице состояний, табл. 2.24), необходимо уровень на входе D зафиксировать заранее, т. е. до прихода перепада на вход С. Причем этот защитный временной интервал должен быть больше времени задержки распространения сигнала в триггере (определяется по справочнику).
| Режим работы | Входы | Выходы | ||||
|---|---|---|---|---|---|---|
| /S | /R | D | C | Q | /Q | |
| Асинхронная установка | 0 | 1 | X | X | 1 | 0 |
| Асинхронный сброс | 1 | 0 | Х | Х | 0 | 1 |
| неопределенность | 0 | 0 | Х | Х | 1 | 1 |
| Загрузка "1" (установка) | 1 | 1 | 1 | _/ | 1 | 0 |
| Загрузка "0" (сброс) | 1 | 1 | 0 | _/ | 0 | 1 |
Цоколевка микросхемы ТМ2 приведена на рис. 2.47, а основные параметры см. в табл. 2.20а.
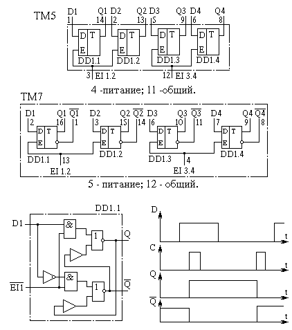
Микросхемы ТM5 и ТМ7 содержат по четыре D-триггера, входы синхронизации которых попарно соединены и обозначены как входы разрешения загрузки EI. Если на такой вход разрешения EI подается напряжение высокого уровня, то информация, поступающая на входы D, передается на выходы триггеров. При напряжении низкого уровня на входе разрешения EI на выходах триггеров сохраняются предыдущие состояния (состояние входов D безразлично). В триггерах будет зафиксирована информация, имевшаяся на входах D, если состояние входа EI переключить от напряжения высокого уровня к низкому. Такие триггеры используются в качестве четырехразрядного регистра хранения информации с непарным тактированием разрядов, а также в качестве буферной памяти и элемента задержки. Каждый триггер микросхемы ТМ5 имеет только прямой выход Q, а каждый триггер микросхемы ТМ7 имеет прямые Q и инверсные /Q выходы. Функциональные схемы, цоколевка, схема одного D-триггера и временные диаграммы работы приведены на рис. 2.48, а, основные параметры триггеров даны в табл. 2.20, состояния триггеров даны в табл. 2.25.
| Режим работы | Входы | Выходы | ||
|---|---|---|---|---|
| EI | D | Qn+1 | /Qn+1 | |
| Разрешение передачи данных на выход | 1 | 0 | 0 | 1 |
| 1 | 1 | 1 | 0 | |
| Защелкивание данных | 0 | Х | Qn=1 | /Qn=0 |
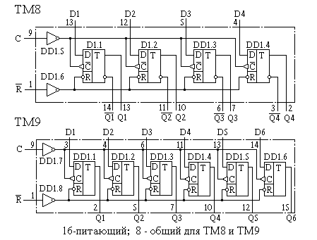
Микросхемы. TM8 и ТМ9 содержат четыре и шесть D-триггеров соответственно. Они имеют общие входы синхронного сброса /R (установки в состояние низкого уровня) и входа синхронизации C. Структура ТМ8 и ТМ и их цоколевка приведены на рис. 2.49.
Триггеры микросхемы ТМ9 имеют только прямые входы Q, а триггеры ТМ8 - прямые и инверсные выходы Q и /Q. На входах C и /R поставлены дополнительные инверторы. Микросхемы К1533ТМ8, К1533ТМ9 имеют повышенную нагрузочную способность, т.е. на каждом из выходов поставлены дополнительные инверторы. Функционрированне триггеров в микросхемах ТМ8 и ТМ9 соответствует таблице состояний (табл. 2.26).
| Режим работы | Входы | Выходы | |||
|---|---|---|---|---|---|
| /R | D | C | Qn+1 | /Qn+1 | |
| Сброс | 0 | X | X | 0 | 1 |
| Загрузка "1" | 1 | 1 | _/ | 1 | 0 |
| Загрузка "0" | 1 | 0 | _/ | 0 | 1 |
Установка всех триггеров в состояние Q = 0 произойдет, когда на асинхронный вход /R подать напряжение низкого уровня - 0. Входы С и D в это время не действуют. Информацию от входов D можно загрузить в триггеры, если на вход /R подать напряжение высокого уровня - 1. Тогда при подаче на вход синхронизации С положительного перепада напряжения (фронта импульса) и предварительно поданного на вход D напряжения высокого или низкого уровня появится на выходе Q высокий или низкий уровень.