[ Содержание ]
Увлекаетесь электроникой?
Приглашаем Вас принять участие
в бета-тестировании онлайн-редактора
электрических схем.
pulsar-cad.com
Работайте со схемами прямо из браузера.

2.5.1. RS-триггеры

RS-триггер - это триггер с раздельной установкой состояний логического нуля и единицы (с раздельным запуском). Он имеет два информационных входа S и R. По входу S триггер устанавливается в состояние Q=l (/Q=0), а по входу R - в состояние Q = О (/Q = 1).

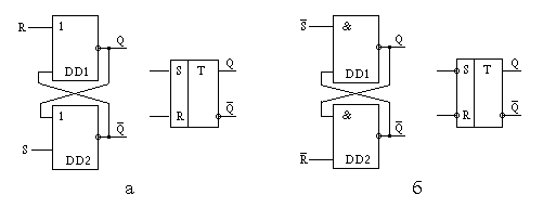
Асинхронные RS-триггеры. Они являются наиболее простыми триггерами. В качестве самостоятельного устройства применяются редко, но являются основой для построения более сложных триггеров. В зависимости от логической структуры различают RS-триггеры с прямыми и инверсными входами. Их схемы и условные обозначения приведены на рис. 2.37. Триггеры такого типа построены на двух логических элементах: 2 ИЛИ-НЕ - триггер с прямыми входами (рис. 2.37, а), 2 И-НЕ - триггер с инверсными входами (рис. 2.37, б). Выход каждого из логических элементов подключен к одному из входов другого элемента, что обеспечивает триггеру два устойчивых состояния.

Схемы построения асинхронных RS-триггеров и из условные графические обозначения
Рис. 2.37. Асинхронные RS-триггеры: а - RS-триггер на логических элементах ИЛИ-НЕ и условное обозначение; б - RS-триггер на логических элементах И-НЕ и условное обозначение.

Состояния триггеров под воздействием определенной комбинации входных сигналов приведены в таблицах функционирования (состояний) (табл. 2.18).

Таблица 2.18. Состояния триггеров.
Входы Выходы
S R Логика И-НЕ Логика ИЛИ-НЕ
Qn+1 /Qn+1 Qn+1 /Qn+1
00XQn/Qn
100110
011001
11Qn/QnX

В таблицах Qn (/Qn) обозначены уровни, которые были на выходах триггера до подачи на его входы так называемых активных уровней. Активным называют логический уровень, действующий на входе логического элемента и однозначно определяющий логический уровень выходного сигнала (независимо от логических уровней, действующих на остальных входах). Для элементов ИЛИ-НЕ за активный уровень принимают высокий уровень - 1, а для элементов И-НЕ - низкий уровень - О. Уровни, подача которых на один из входов не приводит к изменению логического уровня на выходе элемента, называют пассивными. Уровни Qn+1(/Qn+1) обозначают логические уровни на выходах триггера после подачи информации на его входы. Для триггера с прямыми входами при подаче на вход комбинации сигналов S=1, R=0 на выходе получим Qn+1=1 (/Qn+1=0). Такой режим называют режимом записи логической единицы.

Если со входа S снять единичный сигнал, т. е. установить на входе S нулевой сигнал, то состояние триггера не изменится. Режим S=0, R=0 называют режимом хранения информации, так как информация на выходе остается неизменной.

При подаче входных сигналов S=0, R=1 произойдет переключение триггера, а на выходе будет Qт+1=0 (/Qn+1=1). Такой режим называют режимом записи логического нуля (режим сброса). При S=R=1 состояние триггера будет неопределенным, так как во время действия информационных сигналов логические уровни на выходах триггера одинаковы (Qn+1=/Qn+1=0), а после окончания их действия триггер может равновероятно принять любое из двух устойчивых состояний. Поэтому такая комбинация S=R=1 является запрещенной.

Для триггера с инверсными входами режим записи логической единицы реализуется при /S=0, /R=1, режим записи логического нуля - при /S=1, /R=0. При /S=/R=1 обеспечивается хранение информации. Комбинация входных сигналов /S = /R = 0 является запрещенной.

Микросхема ТР2 включает четыре асинхронных RS-триггера, причем два из них имеют по два входа установки /S. Управляющим сигналом является уровень логического нуля (низкий уровень), так как триггеры построены на логических элементах И-НЕ с обратными связями (т. е. входы инверсные статические). Установка триггера в состояние высокого или низкого уровня осуществляется кодом 01 или 10 на входах /S и /R со сменой кода информации. Если на входах /S1 = /S2 = /R = 0, то на выходе Q появится напряжение высокого уровня - 1. Однако это состояние не будет зафиксировано, «защелкнуто»; если входные уровни 0 убрать, на выходе Q появится неопределенное состояние. При подаче на входы /S1 = /S2 = R = 1 напряжение на выходе останется без изменения. Достаточно на одном из входов /S триггера установить низкий уровень напряжения - 0, а на входе /R высокий уровень напряжения - 1, и триггер установится в состояние высокого уровня Qn+1 = 1. Табл. 2.19 дает состояния одного из триггеров микросхемы TP2.

Таблица 2.19.
Состояния триггера ТР.
Входы Выход
/S1/S2/S/RQn+1
1111Qn
01011
10
00
11100
01001*
10
00
Примечание: 1* - неустойчивое состояние, может не сохраняться после снятия "0" со входов /S и /R.

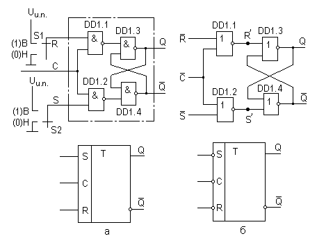
Временные диаграммы его работы, а также цоколевка представлены на рис. 2.38

Условное обозначение и временные диаграммы микросхем типа ТР
Рис. 2.38. Условное обозначение, цоколевка и временные диаграммы работы микросхем типа ТР.

Основные параметры приведены в табл. 2.20б.

Синхронные RS-триггеры. Триггерные ячейки - это основа делителей частоты, счетчиков и регистров. В этих устройствах записанную ранее информацию по специальному сигналу, называемому тактовым, следует передать на выход и переписать в следующую ячейку. Для осуществления такого режима в RS-триггер необходимо ввести дополнительный вход С, который может быть статическим или динамическим, т. е. получим синхронный RS-триггер.

Схема синхронного RS-триггера на логических элементах И-НЕ со статическим управлением записью (вход С - статический) и его условное обозначение приведены на рис. 2.39, а.

Схемы построения синхронных RS-триггеров и из условные графические обозначения
Рис. 2.39. Синхронные RS-триггеры: а - синхронный RS-триггер на элементах И-НЕ и условное обозначение;
б - синхронный RS-триггер на элементах ИЛИ-НЕ и условное обозначение.

Элементы DD1.1 и DD1.2 образуют схему управления, а элементы DD1.3 и DD1.4 - асинхронный RS-триггер. Иногда такой триггер называют RST-триггером (если вход С считать тактовым входом Т).

Триггер имеет прямые статические входы, поэтому управляющим сигналом является уровень логической единицы.

Если на вход С подать сигнал логической единицы C=1, то работа триггера аналогична работе простейшего асинхронного RS-триггера. При C=0 входы S и R не оказывают влияние на состояние триггера. Комбинация сигналов S=R=C=1 является запрещенной. Табл. 2.21 отражает состояния такого триггера.

Синхронный RS-триггер, выполненный на элементах ИЛИ-НЕ, будет иметь инверсные статические входы (рис. 2.39,б). Его функционирование будет определяться таблицей состояний при /C=0 (табл. 2.22). Запрещенной комбинацией входных сигналов будет комбинация /S=/R=/C=0.

Таблица 2.21.
Состояния триггера
Входы Выходы
SRCQn+1/Qn+1
000Qn/Qn
10110
01101
111X
Таблица 2.22.
Состояния триггера
Входы Выходы
/S/R/CQn+1/Qn+1
111Qn/Qn
01110
10101
000X

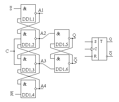
Синхронный RS-триггер с динамическим управлением записью функционирует согласно сигналам, которые были на информационных входах S и R к моменту появления перепада на входе С. Схема такого триггера, его условное обозначение даны на рис. 2.40.

Построение и условное графическое обозначение синхронного RS-триггера с динамическим управлением
Рис. 2.40. Синхронный RS-триггер с динамическим управлением на логических элементах И-НЕ и условное обозначение.

Элементы DD1.1 ... DD1.4 образуют схему управления, а DD1.5 и DD1.6 - асинхронный RS-триггер, выполняющий роль элемента памяти. У данного триггера входы /S и /R инверсные статические (управляющий сигнал - уровень логического нуля), вход С - прямой динамический. Новое состояние триггера устанавливается положительным перепадом напряжения (от уровня логического нуля до уровня логической единицы) на входе С в соответствии с сигналами на информационных входах /S и /R. Функционирование триггера при некоторых комбинациях входных сигналов можнопроследить с помощью таблицы состояний (табл. 2.23).

Таблица 2.23.
Входы Внутренние выходы Выходы
/S/RCA1A2A3A4Q/Q
11X011001
01X111001
01_/101010
10_/101110
10X011110
10_/010101

Синхронный двухступенчатый RS-триггер (master-slave, что переводится «мастер-помощник») состоит из двух синхронных RS-триггеров и инвертора, рис. 2.41, а. Входы С обоих триггеров соединены между собой через инвертор DD1.1. Если C=1, то первый триггер функционирует согласно сигналам на его входах S и R. Второй триггер функционировать не-может, т. к, у него C=0. Если C=0, то первый триггер не функционирует, а для второго триггера C=1, и он изменяет свое состояние согласно сигналам на выходах первого триггера.

Схема и диаграммы работы синхронного двухступенчатого RS-триггера
Рис. 2.41. Синхронный двухступенчатый RS-триггер: a - схема триггера на логических элементах И-НЕ;
б - условное обозначение и временные диаграммы тактового импульса.

На рис. 2.41, б показано, что двухступенчатым триггером управляет полный (фронтом и срезом) тактовый импульс С. Если каждый из триггеров имеет установку положительным перепадом, то входная RS-комбинация будет записана в первую ступень в момент прихода положительного перепада тактового импульса С. В этот момент во вторую ступень информация попасть не может. Когда придет отрицательный перепад тактового импульса С, на выходе инвертора DD1.1 он появится как положительный. Следовательно, положительный перепад импульса /С перепишет данные от выходов первого триггера в триггер второй ступени. Сигнал на выходе появится с задержкой, равной длительности тактового импульса.

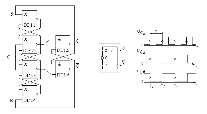
Очень часто необходимо использовать триггер для деления частоты входной последовательности импульсов на два, т. е. производить переключение триггера в новое состояние каждым входным импульсом (фронтом или спадом). Такой триггер называют счетным, или T-триггером (от англ. Toggle). Он имеет один управляющий вход Т. В сериях выпускаемых микросхем T-триггеров нет. Но триггер такого типа может быть создан на базе синхронного RS-триггера с динамическим управлением, если прямой выход Q соединить с инверсным входом /S, а инверсный выход /Q соединить с инверсным входом /R. На вход синхронизации С подать входную последовательность импульсов (т. е. это будет T-вход). На рис. 2.42 показана схема такого триггера и временные диаграммы его работы.

T-триггер, его обозначение и временные диаграммы
Рис. 2.42. T-триггер, его обозначение и временные диаграммы.

Аналогичным образом Т-триггер может быть собран на синхронном двухступенчатом RS-триггере.


Valid XHTML 1.0 Transitional