Основные параметры микросхем типа ЛП приведены в табл. 2.10.
Логический элемент «исключающее ИЛИ» применяется как сумматор по модулю 2 или используется для задержки импульсов. Такой элемент включают как фазовый компаратор. С помощью элементов «исключающее ИЛИ» можно проектировать генераторы строго сфазированных многофазных последовательностей.
На практике наиболее часто используют двухвходовые элементы «исключающее ИЛИ» - это микросхемы ЛП5 и ЛП12, содержащие по четыре таких элемента, причем ЛП12 содержит элементы с открытым коллекторным выходом.
|
Вход | Выход | |
|---|---|---|---|
| A | B | Q | |
| 0 | 0 | 0 | |
| 0 | 1 | 1 | |
| 1 | 0 | 1 | |
| 1 | 1 | 0 | |
Выходной сигнал элемента соответствует логическому уравнению Q = А xor В = НЕ(В)A + НЕ(A)В где xor - обозначение суммирования по модулю 2. Нижняя и верхняя строки таблицы отображают эквивалентность входных уровней, т. е. А = В = О и А = В = 1. Когда А = В = О, выходной сигнал Q=0 (так называемый тривиальный нуль). Если А = B= 1, выходной сигнал Q=0.
Если к рассмотренному элементу «исключающее ИЛИ» добавить двухвходовый элемент И, являющийся формирователем единицы старшего разряда (генератором переноса, он образует выход С), то получится двухразрядный полусумматор (рис. 2.26).

Так при А = В = 1 результат Q = 0 (младший разряд суммы), а C = 1 (старший разряд). В итоге на обоих выходах полусумматора появляется двухразрядное двоичное выходное число: A + B = 1 + 1 = 10, его десятичный эквивалент 1 + 1 = 2.
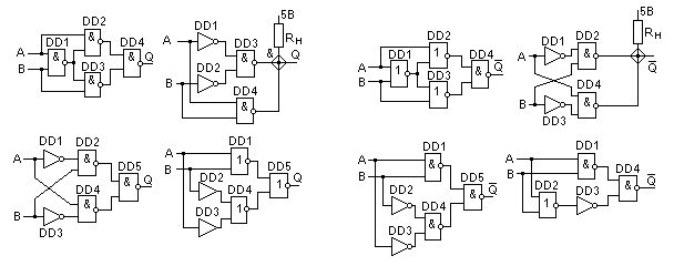
Иногда появляется необходимость получить элемент «исключающее ИЛИ» из отдельных стандартных логических элементов. На рис. 2.28 приведены схемы таких устройств без инверсии и с инверсией.
Если необходим многовходовый элемент «исключающее ИЛИ», то его можно собрать по схемам, показанным на рис. 2.29.

Микросхемы ЛП4, ЛП9 аналогичные микросхеме ЛН4, состоят из шести буферных элементов без инверсии с открытыми коллекторами (см. рис. 2.17). Кроме того, ЛП9 допускает подключение к источнику повышенного напряжения. Цоколевка микросхем аналогична цоколевке микросхемы ЛН4.
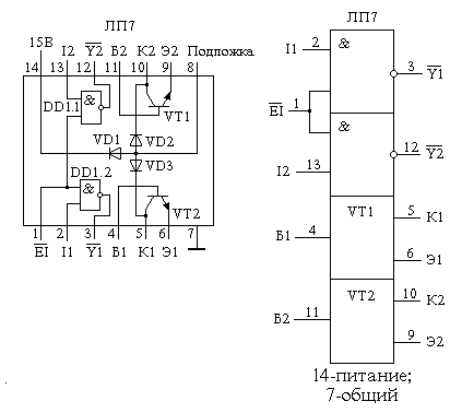
Микросхема ЛП7 представляет собой два логических элемента И-НЕ с общим входом разрешения /EI и двумя мощными транзисторами. Цоколевка микросхемы ЛП7 приведена на рис. 2.30.а.
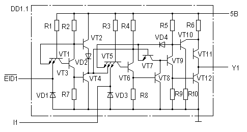
Цоколевка, условное обозначение ЛП1 на рис. 2.30,б, а состояния одного элемента из микросхемы ЛП1 - в табл. 2.13.

| Входы | Выходы | ||
|---|---|---|---|
| I1(I5) | I2(I4) | Y1(Y2) | /Y1(/Y2) |
| 0 | 0 | Y | /Y |
| 0 | 1 | 0 | 1 |
| 1 | 0 | 1 | 0 |
| 1 | 1 | Y | /Y |
Примечание: При подаче на оба входа синфазного сигнала происходит хранение информации.
Микросхемы ЛП8, ЛП10, ЛП11 представляют собой буферные элементы с тремя состояниями на выходе. ЛП8 содержит четыре буферных элемента с общим выводом /ЕIO для входа и выхода каждого из элементов. При подаче напряжения высокого уровня В на вход /ЕIO действие входа I инвертора запрещается, а выход переходит в состояние Z. Цоколевка микросхемы ЛП8, а также принципиальная схема одного канала приведены на рис. 2.31, управляющие сигналы для одного канала в табл. 2.14.

|
Входы | Выход | |
|---|---|---|---|
| /EIO | I | Y | |
| 0 | 0 | 0 | |
| 0 | 1 | 1 | |
| 1 | 0 | Z | |
| 1 | 1 | Z | |
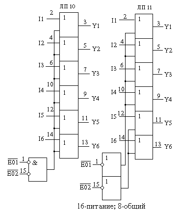
Микросхемы ЛП10 и ЛП11 содержат по шесть буферных элементов с тремя состояниями на выходе. Причем ЛП11 имеет раздельные входы разрешения /EO1 и /ЕО2. При подаче напряжения высокого уровня -В на вход /ЕО2 размыкаются выходы Y5 и Y6; при /EO1 -В соответственно YI...Y4. ЛП10 отличается от ЛН6 тем, что буферные элементы неинвертирующие, а логика управления И-НЕ для входов разрешения /EO1 и /ЕО2 у них одинакова. Цоколевки микросхем ЛП10 и ЛП11 приведены на рис. 2.32, а состояния элемента в табл. 2.15.
| Входы | Выход | ||
|---|---|---|---|
| /E01 | /E02 | I | Y |
| 0 | 0 | 0 | 0 |
| 0 | 0 | 1 | 1 |
| X | 1 | X | Z |
| 1 | X | X | Z |
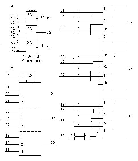
Микросхема ЛП3 представляет собой три логических элемента мажоритарной логики 2 из 3. При подаче на любые два входа из трех напряжения высокого уровня В на выходе ИС устанавливается напряжение низкого уровня - Н. Цоколевка микросхемы и условное графическое обозначение приведены на рис. 2.33. Для 1533ЛП3 цоколевка, структура микросхемы приведены на рис. 2.33.б, а состояния элементов приведены в табл. 2.16, 2.17 соответственно.
|
| |||||||||||||||||||||||||||||||||||||||||||||||||||||||||||||||||||||||||||||||||||||||||||||||