Чтобы рассмотреть схемотехнику, составим таблицу функций элементов И, И-НЕ для двух входов А и В (простейший вариант). Каждая переменная А и В моделируется электронным ключом, который можно замкнуть или разомкнуть. Если ключи соединены последовательно, то они работают согласно логике И: ток в цепи появится, если замкнуть оба ключа: и А и В. Если активными входными сигналами считать замыкание ключей А и В и назвать это событие логической 1, то, последовательно перебирая состояние этих ключей, составим таблицу входных и выходных данных для элементов И и И-НЕ.
| Логический элемент |
Входные переменные |
Выходная функция |
||
|---|---|---|---|---|
![]() |
А | B | И | НЕ-И |
| 0 | 0 | 0 | 1 | |
| 0 | 1 | 0 | 1 | |
| 1 | 0 | 0 | 1 | |
| 1 | 1 | 1 | 0 | |
![]() |
![]() |
|||
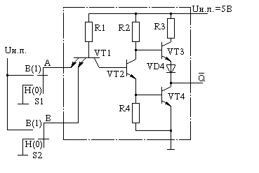
Рассмотрим способ реализации логической операции И-НЕ на элементах ТТЛ. На рис. 2.8, а приведена принципиальная схема двухвходового логического элемента И-НЕ.

Подавая от ключей S1 и S2 на входы А и В напряжение высокого В и низкого Н уровней, составим таблицу выходных уровней элемента.
| Вход | Выход Q(НЕ-И) |
Вход | Выход Q(НЕ-И) |
||
|---|---|---|---|---|---|
| А | B | A | B | ||
| Н | Н | В | 0 | 0 | 1 |
| Н | В | В | 0 | 1 | 1 |
| В | Н | В | 1 | 0 | 1 |
| В | В | Н | 1 | 1 | 0 |
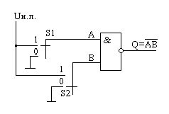
Напряжение низкого уровня Н появляется на выходе Q, когда на обоих входах А и В присутствует высокое напряжение В. Условное графическое обозначение двухвходового логического элемента показано на рис 2.8, в

Среди простейших ИС ТТЛ преобладают элементы И, И-НЕ. Каждый из корпусов ИС типа ЛА и ЛИ содержит от двух до четырех логических элементов, а микросхемы ЛА2 и ЛА19 содержат по одному логическому элементу И-НЕ на восемь и двенадцать входов соответственно.
Цоколевки микросхем типа ЛА и ЛИ и их условные графические обозначения приведены на рис. 2.9, а основные параметры даны в табл. 2.3.
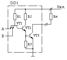
Следует особо выделить группу микросхем, логические элементы которых имеют выходы с открытым коллектором (ЛА7...ЛА11, ЛА13. ЛА18), (ЛИ2, ЛИ4, ЛИ5). Схема двухвходового логического элемента И-НЕ с открытым коллектором показана на рис. 2.10, а.
Для формирования выходного перепада напряжения к выходу такого элемента необходимо подключить внешний нагрузочный резистор Rн. Такие микросхемы применяются для обслуживания сегментов индикаторов, зажигания ламп накаливания, светодиодов (рис. 2.10,б).
При необходимости в схемах можно использовать элемент ТТЛ с двухтактным выходом. Для некоторых микросхем с открытым коллекторным выходом (ЛА11) нагрузку можно подключать к более высоковольтному источнику питания (рис. 2.10,в).

Такое включение необходимо для зажигания газоразрядных и электролюминесцентных индикаторов. Выходы с открытого коллектора используют для подключения обмоток реле.
Выходы нескольких элементов с открытым коллектором можно присоединять к общей нагрузке Rн (рис. 2.10, г).
Такое подключение позволяет реализовать логическую функцию И, называемую «монтажное И». Схему (рис. 2.10. г) используют для расширения числа входов логического элемента.
Следует помнить, что двухтактные выходы ТТЛ нельзя соединять параллельно, это приводит к токовой перегрузке одного из элементов.
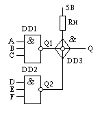
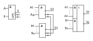
Многовходовые составные логические элементы с открытым коллектором и общим сопротивлением нагрузки Rн реализуются наиболее просто, однако они не позволяют получить предельное быстродействие. Более лучший способ увеличения числа входов осуществляется с помощью специальной микросхемы-расширителя, имеющей дополнительные выводы коллектора и эмиттера фазоразделительного каскада VT2 (рис. 2.11). Одноименные вспомогательные выводы нескольких таких элементов можно объединять.
Микросхема К531ЛА16 (магистральный усилитель) может передавать данные в линию с сопротивлением 50 Ом.
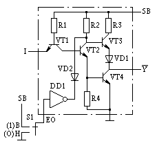
Микросхемы ЛА17, ЛА19 - это логические элементы И-НЕ с тремя состояниями на выходе, т. е. они имеют дополнительный вход /ЕО (Enable output), дающий разрешение по выходу. На рис. 2.12 показана схема элемента, который имеет третье выходное состояние Z, когда выход размыкается.
Для этой цели в схему стандартного сложного инвертора ТТЛ вводится дополнительный инвертор DDI и диод VD2. Если на этот вход /ЕО подать от переключателя S1 напряжение высокого уровня - 1, то выходное напряжение инвертора DD1 станет низким, т. е. катод диода VD2 будет практически соединен с корпусом. Из-за этого коллектор транзистора VT2 будет иметь нулевой потенциал, т. е. транзистор VT2 будет закрыт. Транзисторы VT3 и VT4 будут находиться в режиме отсечки, т. е. оба закрыты. Следовательно, выходной вывод как бы «висит» в воздухе, микросхема переходит в состояние Z с очень большим выходным сопротивлением. Если на вход ЕО подается разрешающий низкий уровень - О, то логический элемент И-НЕ работает как в обычном режиме.
| Вход | Выход | ||
|---|---|---|---|
![]() |
/EO | I | /Y |
| 0 | 0 1 | 1 0 |
| 1 | 0 1 | Z | |
Такие логические элементы разработаны специально для обслуживания проводника шины данных. Если к такому проводнику присоединить много выходов, находящихся в состоянии Z, то они не будут влиять друг на друга. Активным передающим сигналом должен быть лишь один логический элемент, только от его выхода в проводник шины данных будет поступать информация. Следовательно, соединенные вместе выходы не должны быть одновременно активными.
Чтобы сигналом разрешения (низкий уревень - О) , подаваемым на вход /EO, подключался к проводнику выход только одного логического элемента, необходимо предусмотреть дополнительный (защитный) временной интервал, т. е. переключать входы /ЕО различных элементов с паузой. Сигналы разрешения, даваемые выходам разных элементов, не должны перекрываться.
Микросхема К531ЛА19-это 12-входовый логический элемент И-НЕ с дополнительным инверсным входом /ЕО. Сигнал появится на его выходе, если на вход /ЕО подано напряжение низкого уровня - О. Выход логического элемента перейдет в разомкнутое состояние Z, если на вход /ЕО подается напряжение высокого уровня. В состоянии Z элемент потребляет ток Iпот.z=25 мА. Время задержки перехода выхода к разомкнутому состоянию tзд.1z= 16 нс, время задержки перехода выхода tзд.0z= 12 нс (от напряжения низкого выходного уровня), при условии, что Сн = 15 пФ [1].