[ Содержание ]
Увлекаетесь электроникой?
Приглашаем Вас принять участие
в бета-тестировании онлайн-редактора
электрических схем.
pulsar-cad.com
Работайте со схемами прямо из браузера.

2.2. Стандартные серии ТТЛ

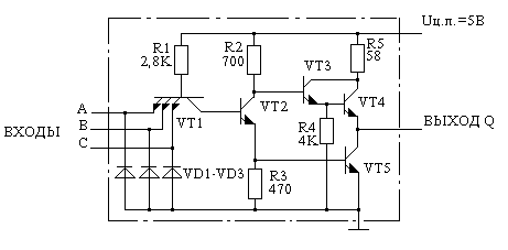
Базовым логическим элементом серий является логический элемент И-НЕ. На рис. 2.3 приведены схемы трех первоначальных элементов И-НЕ ТТЛ. Все схемы содержат три основных каскада: входной на транзисторе VT1, реализующий логическую функцию И; фазоразделительный на транзисторе VT2 и двухтактный выходной каскад.

схема  базового элемента серии К131
Рис 2.3.a. Принципиальная схема базового элемента серии К131

Принцип работы логического элемента серии К131 (рис. 2.3.а) следующий: при поступлении на любой из входов сигнала низкого уровня (0 – 0,4В), базо-эмиттерный переход многоэмиттерного транзистора VT1 смещается в прямом направлении (отпирается), и практически весь ток, протекающий через резистор R1, ответвляется на "землю", вследствие чего VT2 закрывается и работает в режиме отсечки. Ток, протекающий через резистор R2, насыщает базу транзистора VT3. Транзисторы VT3 и VT4 подключенные согласно схеме Дарлингтона, образуют составной транзистор, который представляет собой эмиттерный повторитель. Он выполняет функцию выходного каскада для усиления мощности сигнала. На выходе схемы образуется сигнал высокого логического уровня.

В случае, если на все входы подаётся сигнал высокого уровня, базо-эмиттерный переход многоэмиттерного транзистора VT1 находится в закрытом режиме. Ток, протекающий, через резистор R1 насыщает базу транзистора VT1, вследствие чего, отпирается транзистор VT5 и на выходе схемы устанавливается уровень логического нуля.

Поскольку в момент переключения транзисторы VT4 и VT5 открыты и через них протекает большой ток, в схему введён ограничительный резистор R5.

VT2, R2 и R3 образуют фазоразделительный каскад. Он необходим для поочередного включения выходных n-p-n транзисторов. Каскад имеет два выхода: коллекторный и эмиттерный, сигналы на которых противофазны.

Диоды VD1 - VD3 являются защитой от отрицательных импульсов.

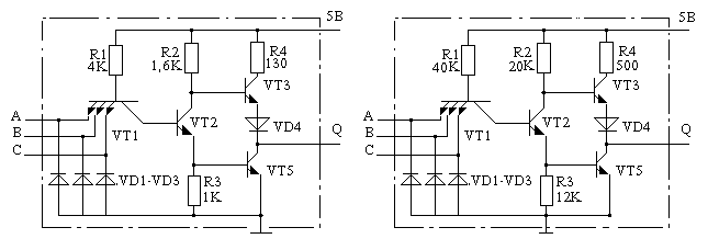
схемы  базовых элементов серий К155 и K134
Рис 2.3.б, в. Принципиальные схемы базовых элементов серий К155 и K134

В микросхемах серий К155 и К134 выходной каскад построен на повторителе не составном (только транзистор VT3) и насыщаемом транзисторе VT5 с введением диода сдвига уровня VD4 (рис. 2.3,б, в). Два последних каскада образуют сложный инвертор, реализующий логическую операцию НЕ. Если ввести два фазоразделительных каскада, то реализуется функция ИЛИ-НЕ.

На рис. 2.3, а показан базовый логический элемент серии К131 (зарубежный аналог - 74Н). Базовый элемент серии К155 (зарубежный аналог - 74) показан на рис. 2.3, б, а на рис. 2.3, в - элемент серии К134 (зарубежный аналог - 74L). Сейчас эти серии практически не развиваются.

Микросхемы ТТЛ первоначальной разработки стали активно заменяться на микросхемы ТТЛШ, имеющие во внутренней структуре переходы с барьером Шотки. В основе транзистора с переходом Шотки (транзистора Шотки) лежит известная схема ненасыщенного транзисторного ключа (рис. 2.4.а).

схема пояснения принципа получения структуры с переходом Шотки
Рис 2.4. Пояснение принципа получения структуры с переходом Шотки:
a - ненасыщенный транзисторный ключ; б - транзистор с диодом Шотки; в - символ транзистора Шотки.

Чтобы транзистор не входил в насыщение, между коллектором и базой включают диод. Применение диода обратной связи для устранения насыщения транзистора впервые предложено Б. Н. Кононовым [2, 6] Однако в этом случае обозначение выходного напряжения низкого уровня может увеличиться до 1 В. Идеальным диодом является диод с барьером Шотки. Он представляет собой контакт, образованный между металлом и слегка легированным n-полупроводником. В металле только часть электронов являются свободными (те, что находятся вне зоны валентности). В полупроводнике свободные электроны существуют на границе проводимости, созданной добавлением атомов примеси. При отсутствии напряжения смещения число электронов, пересекающих барьер с обеих сторон, одинаково, т. е. ток отсутствует. При прямом смещении электроны обладают энергией для пересечения потенциального барьера и прохождения в металл. С увеличением напряжения смещения ширина барьера уменьшается и прямой ток быстро возрастает.

При обратном смещении электронам в полупроводнике требуется больше энергии для преодоления потенциального барьера. Для электронов в металле потенциальный барьер не зависит от напряжения смещения, поэтому протекает небольшой обратный ток, который практически остается постоянным до наступления лавинного пробоя.

Ток в диодах Шотки определяется основными носителями поэтому он больше при одном и том же прямом смещении а, следовательно, прямое падение напряжения на диоде Шотки меньше, чем на обычном p-n переходе при данном токе. Таким образом, диод Шотки имеет пороговое напряжение открывания порядка (0,2-0,3) В в отличие от порогового напряжения обычного кремниевого диода 0,7 В и значительно снижает время жизни неосновных носителей в полупроводнике.

В схеме рис. 2.4, б транзистор VT1 удерживается от перехода в насыщение диодом Шатки с низким порогом открывания (0.2...0.3) В, поэтому напряжение обозначение выходного напряжения низкого уровня повысится мало по сравнению с насыщенным транзистором VT1. На рис. 2.4, в показана схема с «транзистором Шотки». На основе транзисторов Шотки выпущены микросхемы двух основных серии ТТЛШ (рис. 2.5)

На рис. 2.5, а показана схема быстродействующего логического элемента, применяемого как основа микросхем серии К531 (зарубежный аналог - 74S), (S - начальная буква фамилии немецкого физика Шотки (Schottky)). В этом элементе в эмиттерную цепь фазоразделительного каскада, выполненного на транзисторе VT2, включен генератор тока - транзистор VT6 с резисторами R4 и R5. Это позволяет повысить быстродействие логического элемента. В остальном данный логический элемент аналогичен базовому элементу серии К131. Однако введение транзисторов Шотки позволило уменьшить tзд.р вдвое.

На рис. 2.5, б показана схема базового .логического элемента серии К555 (зарубежный аналог - 74LS) . В этой схеме вместо многоэмиттерного транзистора на входе использована матрица диодов Шотки. Введение диодов Шатки исключает накопление лишних базовых зарядов, увеличивающих время выключения транзистора, и обеспечивает стабильность времени переключения в диапазоне температур.

Резистор R6 верхнего плеча выходного каскада создает необходимое напряжение на базе транзистора VT3 для его открывания. Для уменьшения потребляемой мощности, когда логический элемент закрыт (обозначение выходного напряжения высокого уровня) , резистор R6 подключе не к общей шине, а к выходу элемента.

Диод VD7, включенный последовательно с R6 и параллельно резистору коллекторной нагрузки фазоразделительного каскада R2, позволяет уменьшить задержку включения схемы за счет использования части энергии, запасенной в емкости нагрузки, для увеличения тока коллектора транзистора VT1 в переходном режиме.

Транзистор VT3 реализуется без диодов Шoтки, т. к, он работает в активном режиме (эмиттерный повторитель).

В настоящее время микросхемы серии К555 в основном заменили серию К134, а в последующем должны полностью заменить и серию К155.

Перспективные серии ТТЛШ имеют несколько измененные схемы базовых логических элементов. На рис. 2.6 приведены возможные схемы входных каскадов логических элементов.

Схемы Вариантов входных каскадов перспективных элементов ТТЛШ
Рис. 2.6. Варианты входных каскадов перспективных элементов ТТЛШ

Диодный вариант 1 входной цепи (маломощные, К555) имеет большую входную емкость и сниженное пороговое напряжение включения.

Транзисторный вариант II, применяемый в элементах серии К531,имеет повышенное значение входного тока высокого уровня обозначение входного тока при напряжении высокого уровня.

Для перспективных ТТЛШ используется вариант III входного каскада, где применен дополнительный усилитель тока (транзистор VT1). Поэтому в такой схеме значительно снижен входной ток низкого уровня обозначение входного тока при напряжении низкого уровня, увеличено пороговое входное напряжение до 1,5 В и оно зафиксировано. В перспективных ИС применены новые интегральные транзисторы со структурой, названной "Изопланар-II". Такие структуры отличаются:

Среди трех перспективных серий ТТЛШ логические элементы серии КР1531 (зарубежный аналог - 74F) считаются как бы компромиссными, поскольку два других выполняются в милливаттном и сверхскоростном вариантах.

Сравнительная характеристика основных параметров микросхем ТТЛ приведена в табл. 2.1 [1].

Таблица 2.1. Основные параметры микросхем ТТЛ
Серия ТТЛ Параметры Нагрузка
отечественная зарубежная tзд.р., нс. Pпот., мВт. Э, пДж Cн, пФ Rн, кОм нагрузочная способность
К134SN74L3313350410
К155SN741010100150.410
К531SN74S32060150.2810
К555SN74LS1022015220
КР1531SN74F3412150,2810
КР1533SN74ALS42815220

Valid XHTML 1.0 Transitional