Основную логическую операцию в элементе ТТЛ выполняет
многоэмиттерный транзистор (рис. 2.1). Для удобства
рассмотрения переключения логического элемента ко входу
подключим управляющий переключатель S1, движок которого
может занимать два положения - В и Н, а к выходу подключим
резистор Rн. В положении В на вход поступит напряжение
высокого уровня, т. е. питающее напряжение Uи.п., а в
положении Н - напряжение низкого уровня, соответствующее нулю
(вход заземляем). Если на вход (рис. 2.1,0) подано
низкое напряжение (переключатель S1 поставлен в положение Н),
то появится входной ток низкого уровня
,
который будет протекать от источника питания Uип = 5 В через резистор
RБ, переход база-эмиттер многоэмиттерного транзистора VT1,
контакт Н переключателя S1 на корпус. Величина этого
тока определяется сопротивлением резистора RБ:
= Iб = (Uи.п. - Uбэ)/RБ.
В быстродействующих и экономичных ИС ТТЛ сопротивления резисторов
RБ отличаются примерно на порядок.
Переход база - коллектор транзистора VT1 открыться не может,
так как на нем нет избыточного напряжения более чем
0,7 В = UБЭ. Напряжение на выходе
близко к нулю Uвых=О. Таким образом, переход база - эмиттер
транзистора VT1 открыт, а переход база - коллектор VT1
закрыт, т. е. многоэмиттерный транзистор VT1 находится в
активном режиме, напряжение на выходе равно нулю Uвых=О.
Если число входов транзистора VT1 более одного
(рис. 2,1,б (два из них не присоединены), то величина тока
не изменится. Если все три эмиттера VT1
соединить вместе, ток
практически не изменится.
Следовательно, неиспользуемые входы можно оставлять разомкнутыми.
Если заземлен хотя бы один из входов транзистора VT1 (рис. 2.1,б),
смена логических уровней на остальных входах не влияет на выходное
напряжение Uвых.
Переведем движок переключателя S1 в положение В (рис. 2.1,в) (подано на вход напряжение высокого уровня), тогда переход база - эмиттер транзистора VT1 будет закрыт, так как напряжение между базой и эмиттером меньше или равно нулю UБЭ=<0. Оба электрода (база и эмиттер) подключены к источнику питания Uи.п=5 В. Большой ток базы IБ течет от источника питания Uи.п. через резистор RБ, открытый переход база - коллектор, а затем через резистор нагрузки Rн к нулевому потенциалу (рис. 2.1,в). На коллекторе VT1 появляется напряжение высокого уровня:
~=Uи.п.·[Rн/(Rн+RБ)].
На вход 1 поступает лишь входной ток утечки высокого уровня
, не превышающий при нормальной температуре нескольких
наноампер (направление тока
показано на рис. 2.1,в)

Таким образом, переход база - эмиттер транзистора VT1 закрыт, а переход база - коллектор VT1 открыт, т. е. многоэмиттерный транзистор VT1 находится в инверсном активном режиме, напряжение на выходе больше нуля: Uвых>0 (имеет высокий уровень).
Следовательно, на рис. 2.1,в приведен одновходовый элемент ТТЛ, реализующий
логическую операцию И и не изменяющий фазу входного сигнала.
Такой элемент назовем неинвертирующнм. В такой схеме активным включающим
является напряжение низкого уровня и через переключатель S1
на корпус стекает большой входной ток
(для стандартных
элементов ТТЛ, серия К155, ток одного входа
~=1,6 мА)
[1. 4].
Для получения инвертирующего логического элемента, реализующего логическую операцию И-НЕ, необходимо к многоэмиттерному транзистору VT1 добавить инвертор, выполненный на транзисторе VT2 (рис. 2.1.г).
Если на вход 1 логического элемента поступает напряжение высокого
уровня (переключатель S1 в положении В), то
многоэмиттсрный транзистор VT1 находится в
инверсном активном режиме, а транзистор VT2
насыщается базовым током IБ и выходное
напряжение, снимаемое с коллектора VТ2, будет
иметь низкий уровень, что соответствует логическому нулю
(не превышает 0,3 В). Это напряжение
является напряжением насыщения коллектор - эмиттер
Uкэ.нас для кремниевого транзистора
VT2.
Если на вход 1 логического элемента подать напряжение низкого
уровня (переключатель S1 в положении Н), то транзистор
VT2 практически закрыт, а во входной цепи течет большой
ток
. Выходное напряжение, снимаемое с коллектора
VT2, близко к напряжению источника питания
Uи.п., т. е. имеет высокий уровень, что соответствует
логической единице
.
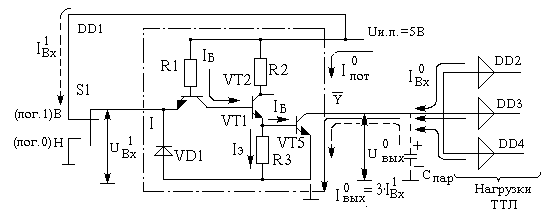
Рассмотренный инвертор, выполненный на транзисторе VT2, является простым инвертором. Он используется лишь в микросхемах, выходы у которых имеют открытые коллекторы. Недостатком простого инвертора является низкая нагрузочная способность в закрытом состоянии (выходное сопротивление определяется сопротивлением резистора, стоящего в коллекторной цепи транзистора VT2).
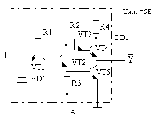
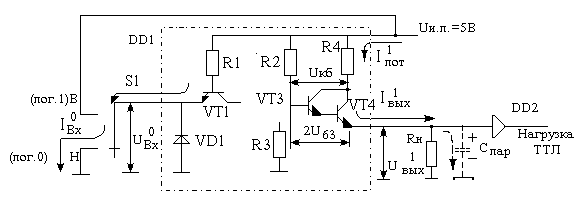
Для повышения нагрузочной способности логического элемента вместо простого инвертора большинство элементов ТТЛ имеют сложный инвертор (рис. 2.2,а). Он состоит из фазоразделительного каскада, выполненного на транзисторе VT2, и двухтактного выходного каскада, состоящего из выходных транзисторов: насыщаемого VT5 и составного эмиттерного повторителя VT3 и VT4.

Рассмотрим функционирование логического элемента со сложным инвертором.
Подадим на вход напряжение низкого уровня, соответствующее логическому нулю
(переключатель S1 поставлен в положение Н), тогда
многоэмиттерный транзистор VT1 будет находиться в
активном режиме (переход база - эмиттер открыт, а переход
база - коллектор закрыт), течет большой ток
, во входную цепь, а транзисторы VT2,
VT5 закрыты (на рис. 2.2.б не показаны
VT2, VT5), транзисторы
VT3 и VT4 будут открыты, т. к.
база VT3 через резистор R2 подключена
к шине питания Uи.п.=5 В. Поэтому выходное напряжение,
снимаемое с нагрузки, расположенной в эмиттерной цепи
VT4, будет иметь высокий уровень, что соответствует
логической единице Uвых1.
Статическое выходное напряжение высокого уровня для логического
элемента равно:
=Uи.п.-Iвых·R4-Uкэ-2·Uб.э.
Так как на транзисторах VT3, VT4
выполнен эмиттерный повторитель, то он не может перейти в состояние
насыщения, и напряжение Uкэ VT4 не уменьшается
меньше (0.7 .. 1) В, а напряжение Uбэ примерно
равно 0,7 В для транзисторов без переходов Шотки. Падением
напряжения на резисторе R4, ограничивающем ток
в выходном каскаде, когда VT4 и
VT5 открыты, можно пренебречь. Тогда получаем
>=2,6 В.
Для транзисторов с переходами Шотки напряжение Uбэ
составляет (0.2 ... 0.3) В. Следовательно, для перспективных элементов
ТТЛ напряжение высокого уровня
~= 3,5 В.
Подадим на вход 1 напряжение высокого уровня (переключатель S1 поставлен в положение В) (рис. 2.2,в), соответствующего логической единице, тогда многоэмиттерный транзистор VT1 будет находиться в инверсном активном режиме (переход база - эмиттер закрыт, а переход база - коллектор открыт), течет большой ток IБ в базу транзистора VT2, который откроется. Часть эмиттерного тока транзистора VT2 поступает в базу транзистора VT5, этот транзистор открывается и входит в режим насыщения. Транзисторы VT3, VT4 будут закрыты. Выходной сигнал, снимаемый с открытого и насыщенного транзистора VT5 (rкэ~=30...50 Ом), имеет низкий уровень Uвых0~=0.3 В, что соответствует логическому нулю.
Диод VD1 предназначен для защиты входа транзистора VTl от пробоя и называется демпфирующим.