Главная / Цифровая археология / Аппаратное обеспечение / ПВК Электроника МС 0585 / Модуль запоминающего устройства НП2

Устройство представляет собой модуль ОЗУ. Стандартные объёмы модуля памяти 512 или 1024 килобайт - в зависимости от количества и типа использованных микросхем. В модуле применялись микросхемы динамического ОЗУ КР565РУ5 или КР565РУ7. Модуль памяти имеет разрядность 16 бит, таким образом количество микросхем на плате должно быть кратно 16.

Данная плата подверглась процедуре демонтажа элементов, но эта процедура прошла для платы без необратимых последствий, поскольку детали были выкушены, а не выпаяны.

На плате было установлено 16 микросхем КР565РУ7, которые в сумме давали 512 килобайт памяти.

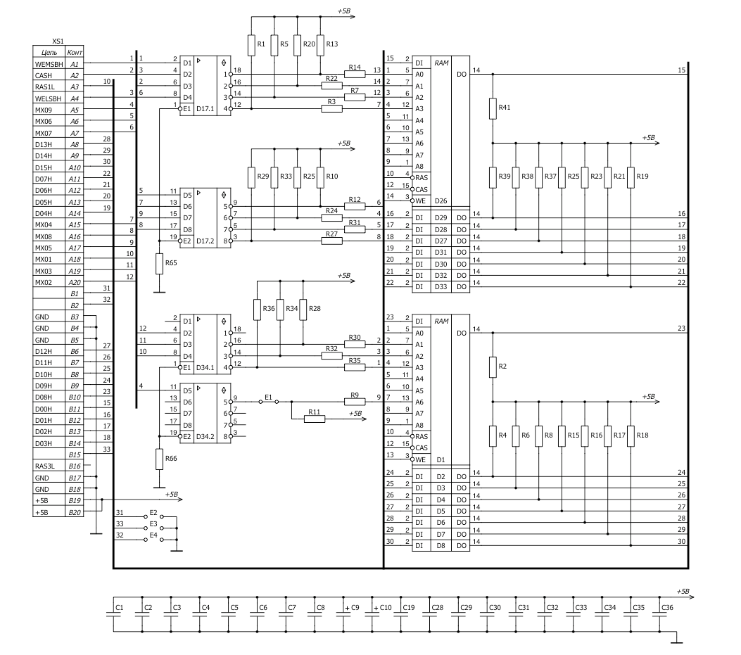
Схема модуля.

Вид сверху:
плата запоминающего устройства НП2 компьютера Электроника МС 0585, вид сверху

Увеличенное изображение

Вид снизу:
плата запоминающего устройства НП2 компьютера Электроника МС 0585, вид снизу

Увеличенное изображение

На плате обнаружен артефакт - с обратной стороны платы есть обозначение расположения контакта A1 для разъёмов XS1 и XS2, но в этом месте находится контакт A20, а контакт A1 находится с другой стороны разъёма.