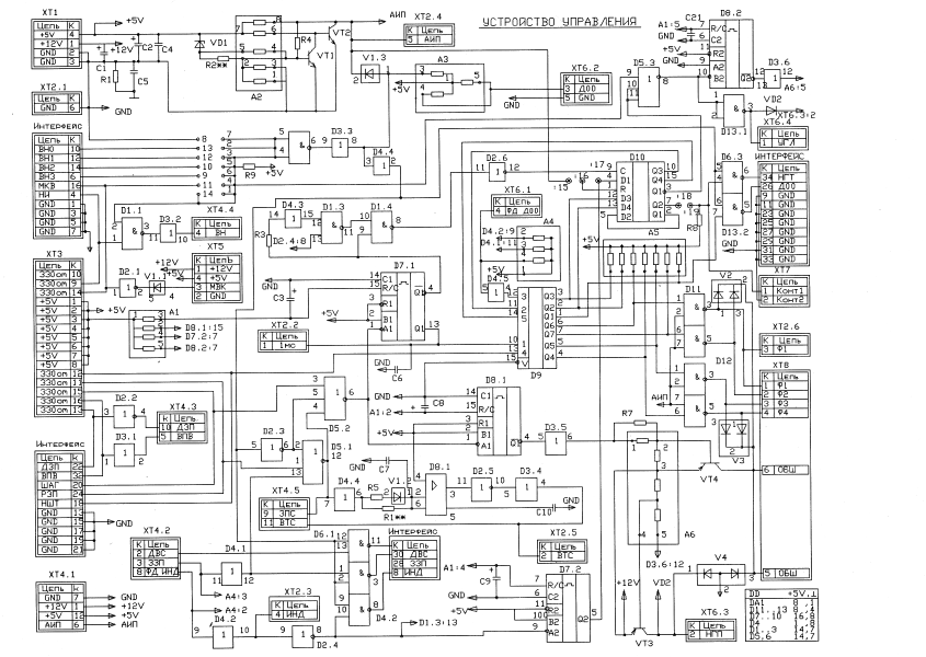
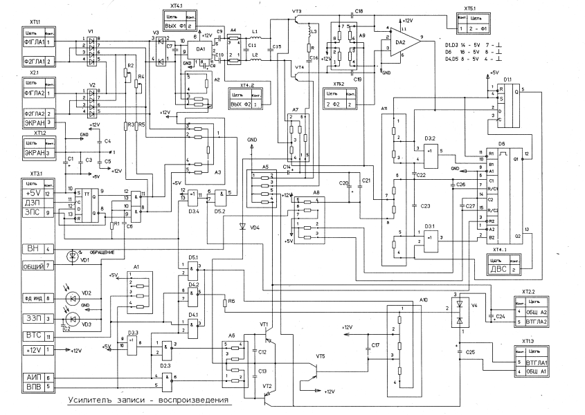
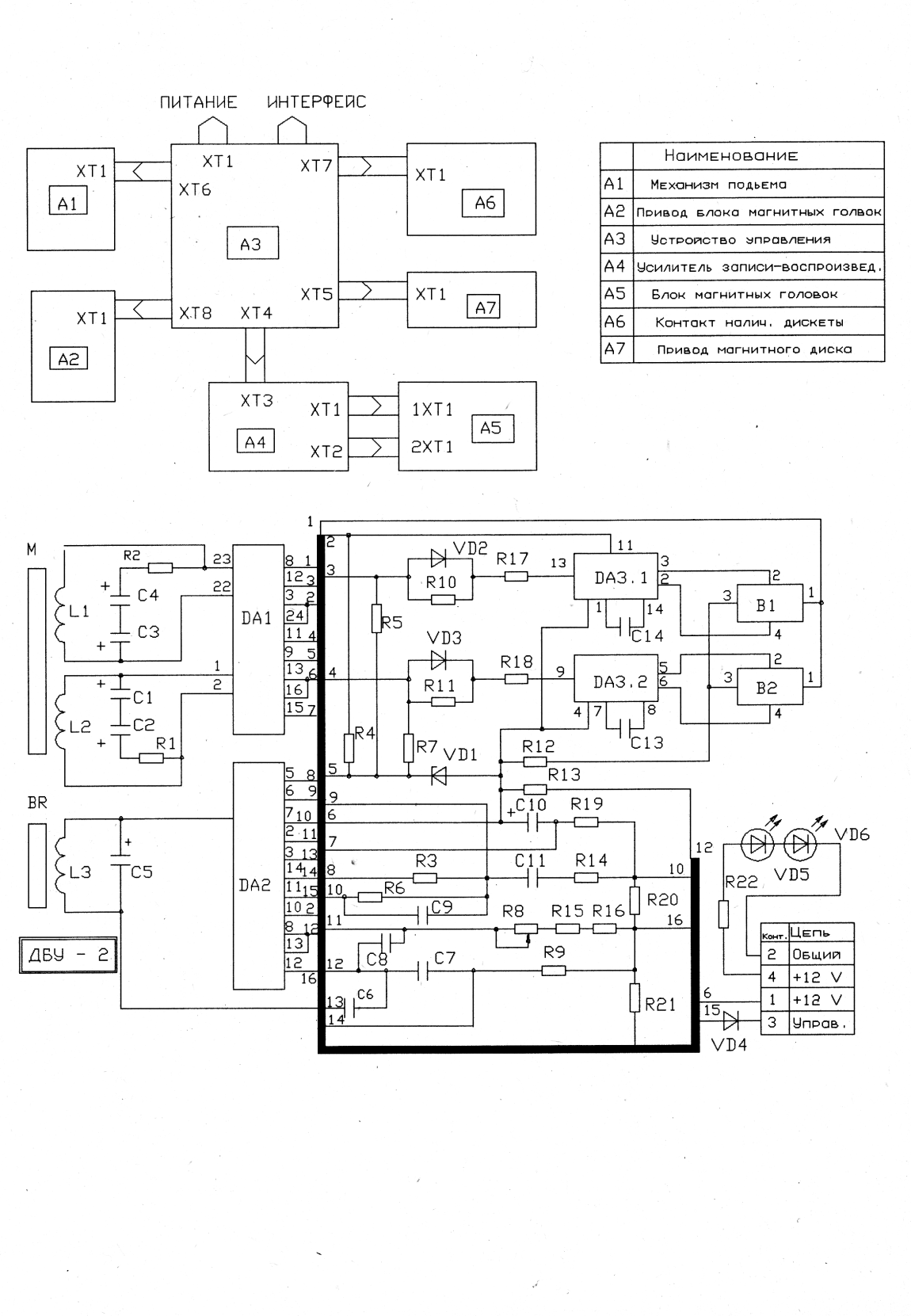
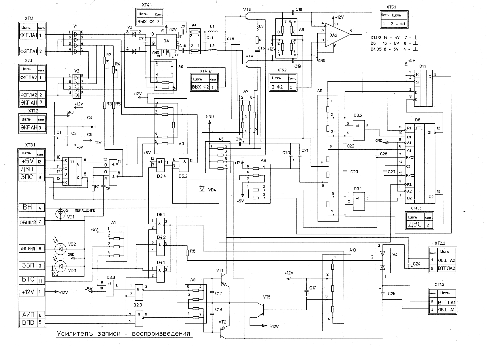
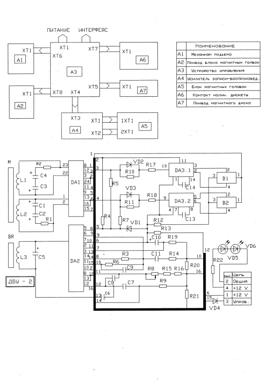
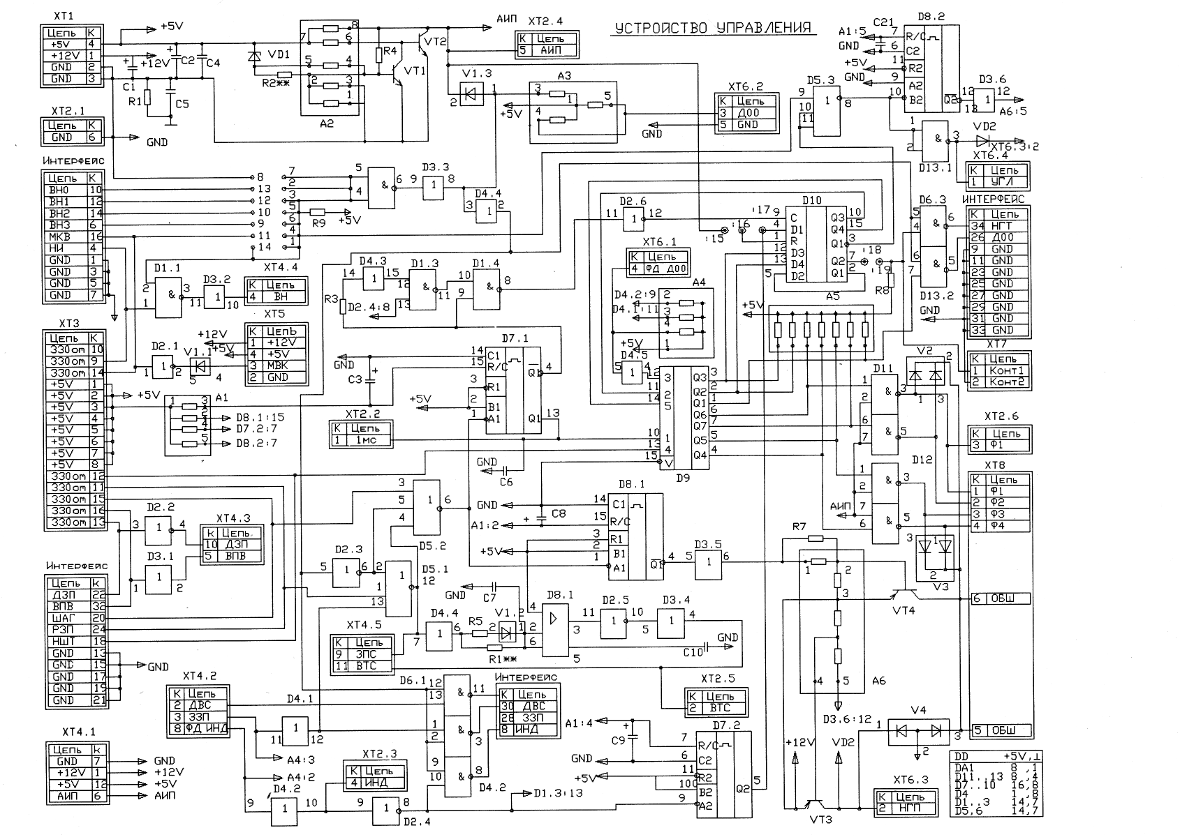
Главная / Цифровая археология / Аппаратное обеспечение / Дисководы МС 5305, МС 5311, МС 5313 - Комплект схем
Скачать архив со страницами в высоком разрешении.