Как быстро сделать штепсель для буржуйского телефона/модема по типу RJ-11

Необходимые материалы, приборы, инструменты:

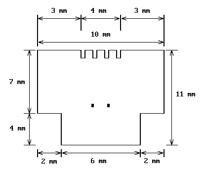
    Из пластмассы при помощи ножа и напильника делается заготовка следующей формы:

    На широкой грани на расстоянии 3 мм от краев прорезаются четыре щели шириной 0.5 мм и глубиной 1..1.5 мм. Расстояние между соседними щелями 0.6 мм. Удобно наметить щели, вставив заготовку широкой стороной в гнездо телефона/модема и сделав ею несколько движений вдоль контактов гнезда, которые оставят на мягкой пластмассе заметные следы. Я использовал для прорезания щелей металлическую линейку толщиной 0.5 мм, сделав на ее ребре легкую насечку ножом и сняв заусенцы надфилем.

    От провода/проволоки отрезаются два куска по 16..18 мм, на каждом кончике делается загиб 0.5 мм. Затем загибы одних кончиков паяльником вдавливаются примерно в места, обозначенные точками, пропускаются через две внутренние щели, натягиваются и свободные кончики вдавливаются с другой стороны. К ним припаиваются провода - штепсель готов (два наружных контакта не используются, щели под них делаются только для четкости фиксации). Вставив его в гнездо наискосок, широкой частью вверх, нажмите на узкую часть внутрь гнезда - контакты гнезда прогнутся и узкая часть штепселя защелкнется за нижние выступы гнезда. Соединение получается достаточно надежным. Для извлечения штепселя слегка потяните провод вверх и наружу.

Have a good connection!

Евгений Музыченко, Новосибирск.