Главная / Цифровая археология / Музей ASV / Платы компьютера Поиск-2

Где-то в районе 1993 года на радиоэлектронном рынке (барахолке) Новосибирска в продаже появились комплекты плат для самостоятельной сборки компьютеров, совместимых с IBM PC/XT.

Было два популярных "конструктора" - "Винница" на базе микропроцессаора i8088 и "Поиск-2" на базе микропроцессора i8086. Оба конструктора завозились с Украинских заводов.

Я и Алексей Кулешов купили по одному конструктору "Поиск-2". В конструктор входили материнская плата, плата графического адаптера CGA, контроллер FDD и HDD, а также плата с последовательным и параллельным портами. Платы комплектовались прошитыми микросхемами ПЗУ. Были также схемы и схема расположения деталей на платах.

Судя по состоянию плат (отсутствие защитной окраски, дефекты в виде перетравленных дорожек) это был заводской брак. Хотя может платы просто аккуратно тырились в процессе их производства.

Первый квест, который было необходимо выполнить - найти все необходимые микросхемы. Детали для Поиск-2 оказались дефицитными. Например разьём шины ISA пришлось делать из двух половинок какого-то более узкого разьёма. Также панельки под некоторые особо ценные микросхемы пришлось сделать из двух половинок.

Второй квест - отладить всё это дело после сборки.

Сборку и запуск начали со связки материнская плата + графический адаптер. Поскольку очень хотелось заполучить дома "полноценную IBM PC/XT", оба работали не покладая рук. Регулярно созванивались и делились успехами.

Алексей таки запустил свой Поиск и сразу мне позвонил. Я тут же схватил свой графический адаптер и побежал к нему - жили мы тогда в соседних домах.

CGA адаптер заработал не сразу, но проблема была легко обнаружена и исправлена. Вот он на фотографии:

поскольку он использовался только с чёрно-белыми мониторами, то разьёма видеовыхода как такового нет.

А вот материнскую плату так и не получилось "оживить". Для отладки этой платы был даже привлечён ПК "Специалист", который по нажатию на клавишу пробел через параллельный порт выдавал очередной тактовый импульс на материнскую плату Поиска. Далее осциллографом проверялась правильность состояния шин адреса и данных.

С помощью специалиста я нашёл пару дефектов и BIOS начал программировать таймер КР580ВИ53 - PC Speaker'е после сброса издавал "щелчёк", говорящий о том, что таймер запрограммирован.

Это пожалуй всё, на что у меня хватило времени.

В настоящее время материнская плата выглядит следующим образом:

Судя по компоновке она должна нормально устанавливаться в AT-корпус. Фирменный разьём для блока питания я не смог найти, а вот альтернативный подходящий разьём нашёлся.

Микросхемы памяти и часы КР512ВИ1 в наличии, просто хранятся отдельно.

Возможно, как нибудь появится время и получится оживить эту плату.

Платы контроллера дисковода и портов ввода вывода утрачены.

Алексей полностью собрал и отладил свой компьютер. Он даже разорился на 20-мегабайтный MFM-ный жёсткий диск Seagate.

Поскольку корпуса в то время стоили очень дорого, то материнская плата компьютера со всеми адаптерами и периферией лежали у него прямо на столе.

Если я правильно помню, Алексей продал свой компьютер.

Где-то через полгода я купил домой материнскую плату AT286 с блоком питания, контоллером дисковода и клавиатурой. Тут мне собранный графический адаптер от Поиска и пригодился.

Упоминания о Поиск-2 можно найти в статье на Википедии.

Архив с прошивками BIOS (три файла: с разделением по младшему и старшему байту и объединённые в один файл: poisk2-roms.tar.gz.

Если посмотреть содержимое ПЗУ, то увидим доказательство того, что имеем дело именно с Поиск-2, а также, что данный BIOS был написан в 1991 году некоей "Soft M.P.":

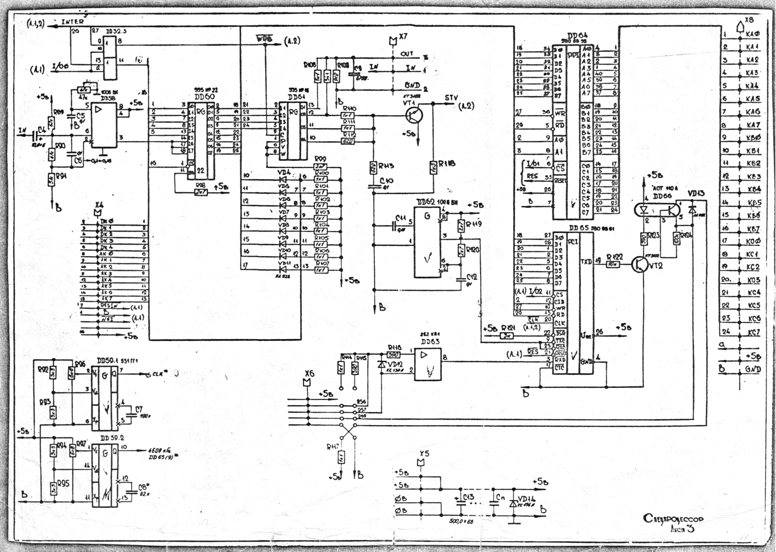
Сохранилась несколько схем, которые шли вместе с платами.

Схема системной платы (в полном разрешении - 14 Мб):

Схема контроллера дисководов и жёстких дисков MFM (FDD + HDD):

Схема интерфейсного адаптера (COM + LPT):

Щелчёк по картинке даст схему в более высоком разрешении.

Также в комплекте схем для Поиск-2 шла вот эта схема:

но складывается впечатление, что к Поиску она никакого отношения не имеет и её включили в комплект по ошибке.